AT氣動執行器外殼是由鋁合金擠壓拉制成型,表面噴砂并經硬質陽極化氧化處理,能夠防腐、耐磨。具有重量輕,外型美觀強度和密封可靠。醇縮醛軸墊片的活塞導向環肯有很低的磨擦阻力,能夠吸收活塞側向推力。氣缸內壁經過珩磨,以減小整體運動磨擦力,在輸出軸的頂部的底部裝有醇縮醛軸承,以降低旋轉磨擦阻力,延長使用壽命。端蓋、活塞是鋁合金壓鑄精制成型,具有良好的抗斷裂性能。端蓋表面外涂高強度環氧樹脂漆,一般能耐弱酸、弱堿及清洗劑。輸出軸采用45#碳鋼制成,表面電鍍處理。開度指示器能真觀地顯示出“開”或“關”的位置,容易拆除以便于扳手操作。 行程調節螺絲可機械限制氣動氣動執行機構的轉動角度,它以現場方式調整氣動執行機構開或關的位置。可使標準產品在0°和90°兩位置有±5°的可調范圍。確保與閥門的同步精度。
所有氣動執行機構在出廠前,軸承和導向環都經過潤滑油脂潤滑。在正常操作環境下,必須通過空氣油霧器進行潤滑。 所有密封(包括活塞密封)均可選用丁晴橡膠(標準型-20℃~+80℃)、硅橡膠(低溫型-40℃~+80℃)、氟橡膠(高溫型-20℃~+150℃)。
加工定制:是
品牌:偉達自控閥門
型號:AT系列
產品用途:控制閥門驅動
驅動能源:氣動執行器
使用介質:清潔、干燥、且不含腐蝕性的壓縮空氣
工作氣源壓力:0.4-0.7MPa
工作環境溫度:標準型:-20℃-+80℃
高溫型:-20℃-+180℃(瞬時可達200℃)
回轉角度:90+-3
電磁閥電源:AC220V或DC24V,可按用戶要求。
輸出扭矩:GT雙作用執行器
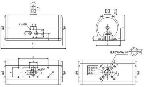
雙金閥門生產的AT氣動執行器外形尺寸圖如下所示:

